Product Summary
The MRF650 is an NPN Silicon RF Power Transistor. It is Designed for 12.5 Volt UHF large- signal amplifier applications in industrial and commercial FM equipment operating to 520 MHz.
Parametrics
MRF650 absolute maximum ratings: (1)Collector–Emitter Voltage VCEO: 16.5 Vdc; (2)Collector–Emitter Voltage VCES: 38 Vdc; (3)Emitter–Base Voltage VEBO: 4.0 Vdc; (4)Collector Current — Continuous IC: 12 Adc; (5)Total Device Dissipation @ TC = 25℃ PD: 0.77 Watts; (6)Derate above 25℃ PD: 135 W/℃; (7)Storage Temperature Range Tstg: –65℃ to +150℃; (8)Operating Junction Temperature TJ: 200℃.
Features
MRF650 features: (1)Characterized with Series Equivalent Large- signal Impedance Parameters from 400 to 520 MHz; (2)Built- in Matching Network for Broadband Operation; (3)Triple Ion Implanted for More Consistent Characteristics; (4)Implanted Emitter Ballast Resistors; (5)Silicon Nitride Passivated; (6)100% Tested for Load Mismatch Stress at all Phase Angles with 20:1 VSWR @ 15.5 Vdc, 2.0 dB Overdrive; (7)Circuit board photomaster available upon request by contacting RF Tactical Marketing.
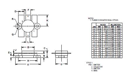
Diagrams

| Image | Part No | Mfg | Description | ![]() |
Pricing (USD) |
Quantity | ||||
|---|---|---|---|---|---|---|---|---|---|---|
![]() |
![]() MRF650 |
![]() TriQuint Semiconductor |
![]() RF Amplifier RF Bipolar Trans |
![]() Data Sheet |
![]() Negotiable |
|
||||
| Image | Part No | Mfg | Description | ![]() |
Pricing (USD) |
Quantity | ||||
![]() |
![]() MRF607 |
![]() Other |
![]() |
![]() Data Sheet |
![]() Negotiable |
|
||||
![]() |
![]() MRF616 |
![]() Other |
![]() |
![]() Data Sheet |
![]() Negotiable |
|
||||
![]() |
![]() MRF627 |
![]() Other |
![]() |
![]() Data Sheet |
![]() Negotiable |
|
||||
![]() |
![]() MRF630 |
![]() Other |
![]() |
![]() Data Sheet |
![]() Negotiable |
|
||||
![]() |
![]() MRF6414 |
![]() Other |
![]() |
![]() Data Sheet |
![]() Negotiable |
|
||||
![]() |
![]() MRF650 |
![]() TriQuint Semiconductor |
![]() RF Amplifier RF Bipolar Trans |
![]() Data Sheet |
![]() Negotiable |
|
||||
(China (Mainland))









