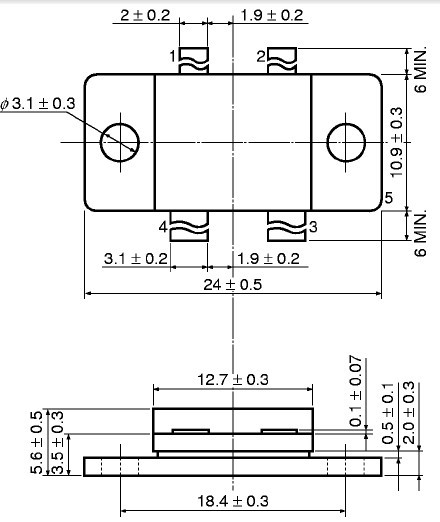
Product Summary
The 2SC3217 is a RF high power transistor. It permits he design of a class AB push- pull broadband amplifier having a good degree of linearity.
Parametrics
2SC3217 absolute maximum ratings: (1)VCBO Collector- base voltage: 50 V; (2)VEBO Emitter- base voltage: 3 V; (3)IC Continuous collector current: 4 A; (4)PC collector power dissipation 43 W; (5)TJ Junction temperature: 200℃; (6)Rth( j- c) Junction- case thermal resistance: 3.2℃/ W.
Features
2SC3217 features: (1)High gain and high power output at 860Mhz; (2)Push-pull structure allows easy design of wideband ampilifer; (3)Internal emmiter balance resistor; (4)Internal inpedance matching circuit; (5)High reliablity due to gold electrodes.
Diagrams

![]() |
![]() 2SC3000 |
![]() Other |
![]() |
![]() Data Sheet |
![]() Negotiable |
|
||||
![]() |
![]() 2SC3011 |
![]() Other |
![]() |
![]() Data Sheet |
![]() Negotiable |
|
||||
![]() |
![]() 2SC3012 |
![]() Other |
![]() |
![]() Data Sheet |
![]() Negotiable |
|
||||
![]() |
![]() 2SC3025 |
![]() Other |
![]() |
![]() Data Sheet |
![]() Negotiable |
|
||||
![]() |
![]() 2SC3026 |
![]() Other |
![]() |
![]() Data Sheet |
![]() Negotiable |
|
||||
![]() |
![]() 2SC3038 |
![]() Other |
![]() |
![]() Data Sheet |
![]() Negotiable |
|
||||
(China (Mainland))








