Product Summary
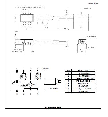
The FU-645SDF-V1M1B is a 1.55mm Uncooled DFB-LD module with single-mode optical fiber. Th FU-645SDF-V1M1B is suitable to a light source for use in 2.5Gb/s digital optical communication systems.
Parametrics
FU-645SDF-V1M1B absolute maximum ratings: (1)Optical output power Pf: 6 mW; (2)Laser diode Forward current If: 100 mA; (3)Laser diode Reverse voltage Vrl: - 2 V; (4)Photodiode Reverse voltage Vrd: 20 V; (5)Photodiode Forward current Ifd: 2 mA; (6)Operating case temperature Tc: -5℃ ~ +70℃; (7)Storage temperature Tstg: -40℃ ~ +85℃.
Features
FU-645SDF-V1M1B features: (1)Input impedance is 25Ω; (2)Emission wavelength is in 1.55μm band; (3)High-speed response; (4)Built-in optical isolator; (5)Built-in thermistor and bias T; (6)8-pin Mini-DIL package with Gull wing leads; (7)With photodiode for optical output monitor.
Diagrams

![]() |
![]() FU-60RDF-S6M2x |
![]() Other |
![]() |
![]() Data Sheet |
![]() Negotiable |
|
||||
![]() |
![]() FU-627SDF |
![]() Other |
![]() |
![]() Data Sheet |
![]() Negotiable |
|
||||
![]() |
![]() FU-627SDF-Fx1 |
![]() Other |
![]() |
![]() Data Sheet |
![]() Negotiable |
|
||||
![]() |
![]() FU-630SLD-12M1 |
![]() Other |
![]() |
![]() Data Sheet |
![]() Negotiable |
|
||||
![]() |
![]() FU-630SLD-14M2 |
![]() Other |
![]() |
![]() Data Sheet |
![]() Negotiable |
|
||||
![]() |
![]() FU-630SLD-8M1 |
![]() Other |
![]() |
![]() Data Sheet |
![]() Negotiable |
|
||||
(China (Mainland))








