Product Summary
The AO3401 is a P-Channel Enhancement Mode Field Effect Transistor. It uses advanced trench technology to provide excellent RDS(ON), low gate charge and operation with gate voltages as low as 2.5V. Th AO3401 is suitable for use as a load switch or in PWM applications.
Parametrics
AO3401 absolute maximum ratings: (1)Drain- source voltage: -30 V; (2)Gate- source voltage: ± 12 V; (3)Continuous drain curren TA = 25℃: -4 A; (4)Continuous drain curren TA = 70℃: -3.2 A; (5)Pulsed drain current: -27 A; (6)Power Dissipation TA=25℃: 1.4 W; (7)Power Dissipation TA=70℃: 0.9 W; (8)Junction and Storage Temperature Range: -55℃ to 150℃.
Features
AO3401 features: (1)VDS: -30V ; (2)ID (at VGS=-10V): -4.0A; (3)RDS(ON) (at VGS=-10V) < 50m; (4)RDS(ON) (at VGS =-4.5V) < 60m; (5)RDS(ON) (at VGS=-2.5V) < 85m.
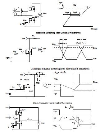
Diagrams

| Image | Part No | Mfg | Description | ![]()  | 
                            Pricing (USD)  | 
                            Quantity | ||||||||||||||||
|---|---|---|---|---|---|---|---|---|---|---|---|---|---|---|---|---|---|---|---|---|---|---|
![]()  | 
                            ![]() AO3401  | 
                            ![]() Other  | 
                            ![]()  | 
                            ![]() Data Sheet  | 
                            ![]() Negotiable  | 
                            
                            	 | 
                      ||||||||||||||||
![]()  | 
                            ![]() AO3401A  | 
                            ![]()  | 
                            ![]() MOSFET P-CH -30V -4.3A SOT23  | 
                            ![]() Data Sheet  | 
                            ![]() 
  | 
                            
                            	 | 
                      ||||||||||||||||
 (China (Mainland)) 
                         
                        
                                    








