Product Summary
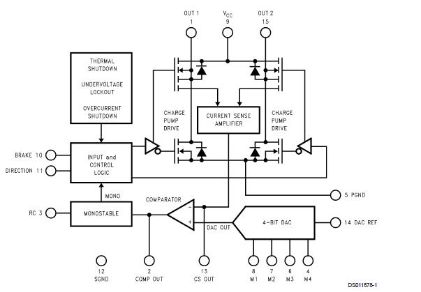
The LMD18245T is a full-bridge power amplifier which incorporates all the circuit blocks required to drive and control current in a brushed type DC motor or one phase of a bipolar stepper motor. The multi-technology process used to build the device combines bipolar and CMOS control and protection circuitry with DMOS power switches on the same monolithic structure. The LMD18245T controls the motor current via a fixed off-time chopper technique. An all DMOS H-bridge power stage delivers continuous output currents up to 3A (6A peak) at supply voltages up to 55V. The LMD18245T features low RDS(ON) for high efficiency, and a diode intrinsic to the DMOS body structure eliminates the discrete diodes typically required to clamp bipolar power stages.
Parametrics
LMD18245T absolute maximum ratings: (1)DC Voltage: +60V; (2)DC Voltage PGND to SGND: ±400mV; (3)Continuous Load Current: 3A; (4)Peak Load Current: 6A; (5)Junction Temperature (TJ(max)): +150℃.
Features
LMD18245T features: (1)DMOS power stage rated at 55V and 3A continuous; (2)Low RDS(ON) of typically 0.3Ω per power switch; (3)Internal clamp diodes; (4)Low-loss current sensing method; (5)Digital or analog control of motor current; (6)TTL and CMOS compatible inputs; (7)Thermal shutdown (outputs off) at TJ = 155℃; (8)Overcurrent protection; (9)No shoot-through currents; (10)15-lead TO-220 molded power package.
Diagrams

| Image | Part No | Mfg | Description | ![]() |
Pricing (USD) |
Quantity | ||||||||||||
|---|---|---|---|---|---|---|---|---|---|---|---|---|---|---|---|---|---|---|
![]() |
![]() LMD18245T |
![]() National Semiconductor (TI) |
![]() Motor / Motion / Ignition Controllers & Drivers |
![]() Data Sheet |
![]()
|
|
||||||||||||
![]() |
![]() LMD18245T/LF15 |
![]() National Semiconductor (TI) |
![]() Motor / Motion / Ignition Controllers & Drivers |
![]() Data Sheet |
![]()
|
|
||||||||||||
![]() |
![]() LMD18245T/NOPB |
![]() National Semiconductor (TI) |
![]() Motor / Motion / Ignition Controllers & Drivers H-Bridge Motor Driver W/ Pwm |
![]() Data Sheet |
![]()
|
|
||||||||||||
(China (Mainland))










