Product Summary
The MRF847 is an NPN Silicon RF Power Transistor. It is designed for 12.5 volt UHF large- signal, common–base amplifier applications in industrial and commercial FM equipment operating in the range of 806–960 MHz.
Parametrics
MRF847 absolute maximum ratings: (1)Collector–Emitter Voltage VCEO: 16.5 Vdc; (2)Collector–Base Voltage VCBO: 38 Vdc; (3)Emitter–Base Voltage VEBO: 4.0 Vdc; (4)Collector Current — Continuous IC: 12 Adc; (5)Total Device Dissipation @ TA = 25℃ PD: 150 Watts; (6)Derate above 25℃ PD: 0.85 W/℃; (7)Storage Temperature Range Tstg: –65℃ to +150℃; (8)Junction Temperature TJ: 200℃.
Features
MRF847 features: (1)Series Equivalent Large- signal Characterization; (2)Internally Matched Input for Broadband Operation; (3)Tested for Load Mismatch Stress at All Phase Angles with 10:1 VSWR @ High Line and Rated Drive; (4)Gold Metallized, Emitter Ballasted for Long Life and Resistance to Metal Migration; (5)Silicon Nitride Passivated.
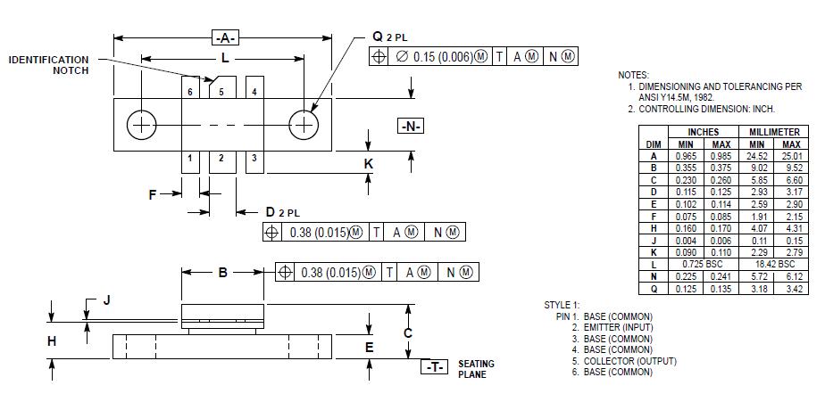
Diagrams

![]() |
![]() MRF837 |
![]() Other |
![]() |
![]() Data Sheet |
![]() Negotiable |
|
||||||||||||
![]() |
![]() MRF8372LF |
![]() Advanced Semiconductor, Inc. |
![]() Transistors RF Bipolar Power RF Transistor |
![]() Data Sheet |
![]()
|
|
||||||||||||
![]() |
![]() MRF8372LFR1 |
![]() TriQuint Semiconductor |
![]() RF Amplifier RF Bipolar Trans |
![]() Data Sheet |
![]() Negotiable |
|
||||||||||||
![]() |
![]() MRF8372LFR2 |
![]() TriQuint Semiconductor |
![]() RF Amplifier RF Bipolar Trans |
![]() Data Sheet |
![]() Negotiable |
|
||||||||||||
![]() |
![]() MRF838A |
![]() Other |
![]() |
![]() Data Sheet |
![]() Negotiable |
|
||||||||||||
![]() |
![]() MRF839F |
![]() Other |
![]() |
![]() Data Sheet |
![]() Negotiable |
|
||||||||||||
(China (Mainland))








