Product Summary
The QM100DY-2H is a high power switching use. The applications of it are Inverters, Servo drives, DC motor controllers, NC equipment, Welders.
Parametrics
QM100DY-2H absolute maximum ratings: (1)Collector-emitter voltage:1000V; (2)Collector-emitter voltage:1000V; (3)Collector-base voltage:1000V; (4)Emitter-base voltage:7V; (5)Collector current:100A; (6)Collector reverse current:100A; (7)Collector dissipation:800W; (8)Base current:5A; (9)Surge collector reverse current:1000A; (10)Junction temperature:-40℃ to +150℃; (11)Storage temperature:-40℃ to +125℃; (12)Isolation voltage:2500V.
Features
QM100DY-2H features: (1)IC Collector current:100A; (2)VCEX Collector-emitter voltage:1000V; (3)hFE DC current gain:75; (4)Insulated Type; (5)UL Recognized: Yellow Card No. E80276 (N), File No. E80271.
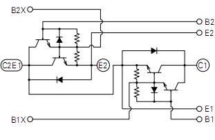
Diagrams

| Image | Part No | Mfg | Description | ![]()  | 
                            Pricing (USD)  | 
                            Quantity | ||||
|---|---|---|---|---|---|---|---|---|---|---|
![]()  | 
                            ![]() QM100DY-2HBK  | 
                            ![]() Other  | 
                            ![]()  | 
                            ![]() Data Sheet  | 
                            ![]() Negotiable  | 
                            
                            	 | 
                      ||||
![]()  | 
                            ![]() QM100DY-2HK  | 
                            ![]() Other  | 
                            ![]()  | 
                            ![]() Data Sheet  | 
                            ![]() Negotiable  | 
                            
                            	 | 
                      ||||
 (China (Mainland)) 
                         
                        
                                    







