Product Summary
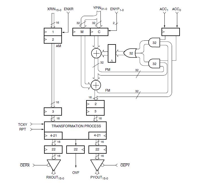
The TMC2330AH5C is a Coordinate Transformer, which converts bidirectionally between Cartesian (real and imaginary) and Polar (magnitude and phase) coordinates at up to 40 MOPS (Million Operations Per Second). In its Rectangular-to-Polar mode, the TMC2330AH5C can extract phase and magnitude information or backward "map" from a rectangular raster display to a radial (e.g., range-and-azimuth) data set.
Parametrics
TMC2330AH5C absolute maximum ratings: (1)Supply Voltage: -0.5 to 7.0 V; (2)Input Voltage: -0.5 to VDD + 0.5 V; (3)Output Applied Voltage: -0.5 to VDD + 0.5 V; (4)Externally Forced Current: -3.0 to 6.0 V; (5)Short-Circuit Duration Single output in HIGH state to ground: 1 sec; (6)Operating Temperature: -20℃ to 110℃; (7)Ambient Temperature: -20°C to 110 °C; (8)Storage Temperature: -65°C to 150 °C; (9)Junction Temperature: 140 °C; (10)Lead Soldering 10 seconds: 300 °C.
Features
TMC2330AH5C features: (1)Rectangular-to-Polar or Polar-to-Rectangular conversion at guaranteed 40 MOPS pipelined throughput rate; (2)Polar data: 16-bit magnitude, 32-bit input/16-bit output phase; (3)16-bit user selectable two鈥檚 complement or sign- andmagnitude rectangular data formats; (4)User-configurable phase accumulator for waveform synthesis and amplitude, frequency, or phase modulation; (5)Magnitude output data overflow flag (in Polar-to- Rectangular mode); (6)Low power consumption CMOS process; (7)Single +5V power supply; (8)Available in a 120-pin plastic pin grid array package (PPGA), 120-pin ceramic pin grid array package (CPGA), 120-pin MQFP to PPGA (MPGA) package, and 120-pin metric quad flatpack package (MQFP).
Diagrams

| Image | Part No | Mfg | Description | ![]()  | 
                            Pricing (USD)  | 
                            Quantity | ||||
|---|---|---|---|---|---|---|---|---|---|---|
![]()  | 
                            ![]() TMC2330AH5C  | 
                            ![]() Other  | 
                            ![]()  | 
                            ![]() Data Sheet  | 
                            ![]() Negotiable  | 
                            
                            	 | 
                      ||||
| Image | Part No | Mfg | Description | ![]()  | 
                            Pricing (USD)  | 
                            Quantity | ||||
![]()  | 
                            ![]() TMC2005  | 
                            ![]() Other  | 
                            ![]()  | 
                            ![]() Data Sheet  | 
                            ![]() Negotiable  | 
                            
                            	 | 
                      ||||
![]()  | 
                            ![]() TMC2005-JT  | 
                            ![]() SMSC  | 
                            ![]() Interface - Specialized 5 Port Hub Contrllr  | 
                            ![]() Data Sheet  | 
                            ![]() Negotiable  | 
                            
                            	 | 
                      ||||
![]()  | 
                            ![]() TMC20073  | 
                            ![]() Other  | 
                            ![]()  | 
                            ![]() Data Sheet  | 
                            ![]() Negotiable  | 
                            
                            	 | 
                      ||||
![]()  | 
                            ![]() TMC200A  | 
                            ![]() Other  | 
                            ![]()  | 
                            ![]() Data Sheet  | 
                            ![]() Negotiable  | 
                            
                            	 | 
                      ||||
![]()  | 
                            ![]() TMC2011AN2C  | 
                            ![]() Fairchild Semiconductor  | 
                            ![]() Video ICs Shift Register Variable Length  | 
                            ![]() Data Sheet  | 
                            ![]() Negotiable  | 
                            
                            	 | 
                      ||||
![]()  | 
                            ![]() TMC2011AN2C_Q  | 
                            ![]() Fairchild Semiconductor  | 
                            ![]() Registers Shift Register Variable Length  | 
                            ![]() Data Sheet  | 
                            ![]() Negotiable  | 
                            
                            	 | 
                      ||||
 (China (Mainland)) 
                         
                        
                                    








